
傳真:
18923864027
QQ:
709211280
地址:
深圳市福田區振中路84號愛華科研樓7層
提高開關電源可靠性與二極管連接方法介紹在當今電子產業蓬勃發展的時代,電子產品的質量由兩大核心性能——技術性與可靠性共同支撐。一款成...
PIN型二極管,雪崩二極管與肖特基二極管介紹一、PIN 二極管PIN 二極管是在 P 型半導體和 N 型半導體之間夾有一層本征半導體(或低濃度
MOS管怎么提高充電寶的安全性與可靠性,選型移動電源,它主要由三大核心部分構成:電芯、電路板以及外殼,而鋰離子電池憑借其高能量密度等優
二極管全波整流電路圖介紹一、全波整流概述全波整流是一種用于處理交流電的電路技術。在全波整流電路中,每個半周期內均有一個整流器件(例
LED發光二極管結構知識介紹一、簡述:發光二極管(Light Emitting Diode,簡稱 LED),這一名稱源自英文字母的精巧組合,是半導體發光領
怎么恢復二極管開關電源與檢測電阻的好壞在開關電源的運行過程中,其一直處于開閉循環狀態,這使得電源內部器件不僅需具備高強度以承受反復
整流二極管的特征與穩壓二極管認識介紹一、通用型二極管:整流與基礎保護通用型二極管主要用于整流,即將交流電轉換為直流電。橋式二極管作
穩壓二極管,電感基礎概念與識別方法介紹一、穩壓二極管(齊納二極管)(一)基本特性與電路標識穩壓二極管是一種在臨界反向擊穿電壓前具有
穩壓二極管的穩壓原理與電阻基礎知識介紹一、穩壓二極管的穩壓原理與故障特點穩壓二極管是一種在反向擊穿區工作的半導體器件,其核心特性在
pcb多層板設計與穩壓二極管的檢查方法介紹一、多層板元器件鉆孔及焊盤設計要點在多層板設計中,元器件鉆孔大小需依據引腳尺寸精確設定。鉆
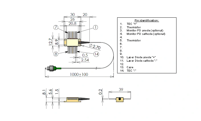
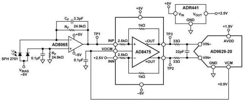
光電二極管工作原理與主要參數介紹光電二極管,它能夠將光信號轉換為電信號,在各種光檢測和信號處理應用中發揮著重要作用。本文將深入探討
瞬變二極管的特性與參數及選用方法介紹瞬變二極管(TVS,Transient Voltage Suppressors),作為一種高品質的突波吸收器,憑借其出色的浪